开云网页版登录

除尘系统 脱硫系统 气力输送系统 控制系统系列 产品 P产品展示PRODUCT
您当前所在的位置:网站开云网页版登录 > 产品

SF型全密封三通落灰阀

作者:常州市昊达电力设备有限公司    发布时间:2019-10-10 16:59:14    浏览量:5492

三通卸灰阀 拷贝.jpg

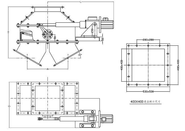
本设备适用于粉煤灰、水泥等粉状物料输送管道中作物料流向切换用,分电动、气动、手动三种操作方式,启闭可靠,工作中能确保不漏料、不漏气,本产品为我厂专利产品。专利号:9723561.0


技术参数

进出口尺寸(mm)

300x300

400x400

倾斜夹角

30°

配用气缸(气缸)

QGB100x200

配用电动推杆型号

Dt30020

适用温度

150

工作压力

常压


主要外观尺寸

规格

H

L

A

D

电动

手动

300x300

630

630

630

630

630

400x400

725

725

725

725

725


外观尺寸图

image071.png

相关标签 产品
在线询盘
公司名称: *
联系人: *
联系电话: *
电子邮箱:
联系地址:
需求内容: *